je sollicite la communauté pour de l'aide sur mon 32x.
Je lui ai installé une puce freezone il y a quelques années.
Je m'en sers peu et dernièrement, suite à l'installation d'un Smartdrive, je me suis rendu compte que les jeux PAL ne marchaient pas (sur MD pal). Ecran noir.
J'ai ôté hier soir la puce en question. Je me suis dis que mon installation n'étais pas propre (je me suis amélioré depuis le temps) et que le fil à la pin 13 était écrasé.
Je refait tout ca et j'ai ajouté un condo 100nf comme sur le tuto d'origine :
https://circuit-board.de/forum/index.ph ... nd-auch-2/
ou comme sur certaines cartes adhoc
https://www.consolesunleashed.com/produ ... n-mod-kit/
Je vérifie et je rebranche pour test (à 18h30, erreur classique qui pourrit bien une soirée...) :
bruit bizzarre, écran noir. Je stoppe au bout de 2 à 3 secondes.
J'ouvre le 32x : odeur de cramé... :pleur4: :pleur4: :pleur4:
J'ai ôté la puce et j'ai fait des tests en me remettant en version pal/ntsc, en faisant un pont R42 ou R43.
Je n'ai plus la résistance R43, ôté pour le puçage, mais c'est bien une résistance =0 ?
Pont en R43 : 32x Pal, je me retrouve dans la config d'avant, les jeux 32x ne se lancent pas mais j'ai un truc potable à l'écran quoi qu'avec quelqus soubresauts.
Pont en R42 : 32x en NTSC. J'ai bien 5v sur le pin 32 du 315-5788. Et là, image cata : il me semble que la synchro ne fonctionne pas.
Les jeux se lancent pour autant.
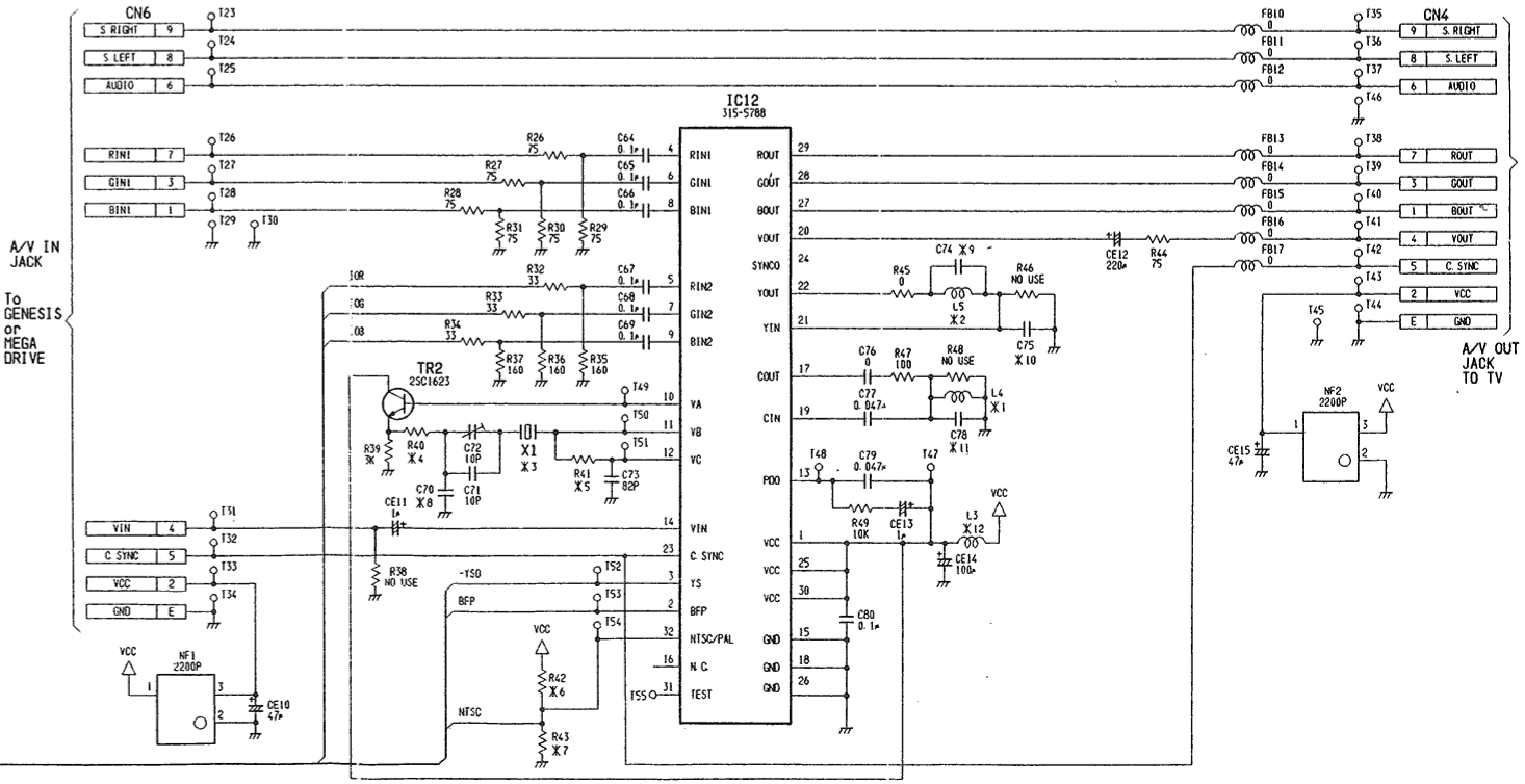
Les pistes : l'odeur vient de ce côté

J'ai essayé de trouver un schéma

je ne comprends pas bien la différence entre Vout et C Sync ?
J'ai trouvé sur le wiki de console5, un texte sur les problèmes communs qui parle de la synchro.
https://wiki.console5.com/wiki/32X
Je ne sais pas pourquoi quelque chose a cramé. J'espère que ce n'est pas le 315-5788...
Merci de votre aide !
Et savez vous qui pourrait tenter une réparation (J'arrive au bout de mes compétences...) ?




